鬆下91香蕉视频色版代理—香蕉视频黄色三级片今天給大家講講鬆下plc組網什麽意思?常用鬆下91香蕉视频色版組網方式分類。91香蕉视频色版與91香蕉视频色版之間,91香蕉视频色版與計算機、91香蕉视频色版與智能設備等都需要進行數據交互,特別是在某些遠程控製,控製點分散等場合,這就對91香蕉视频色版的數...
查看更多鬆下91香蕉视频色版代理—香蕉视频黄色三级片今天給大家講講選擇plc機型的基本原則是什麽?選擇鬆下plc的技巧。在plc係統的設計中,首先要確定係統方案,下一步就是91香蕉视频色版的設計和選型。選擇91香蕉视频色版主要是確定91香蕉视频色版的生產廠家和91香蕉视频色版的具體型號。...
查看更多鬆下91香蕉视频色版代理—香蕉视频黄色三级片今天給大家講講如何看懂plc梯形圖?鬆下91香蕉视频色版編程入門梯形圖實例講解。梯形圖是91香蕉视频色版使用得最多的圖形編程語言,被稱為91香蕉视频色版的第一編程語言。梯形圖與電器控製係統的電路圖很相似,具有直觀易懂...
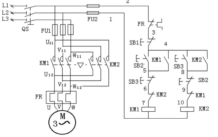
查看更多鬆下91香蕉视频色版代理—香蕉视频黄色三级片今天給大家講講如何看懂plc電路圖?鬆下plc內部電路圖詳解。91香蕉视频色版就是可編程控製器,其控製電路圖除了電氣接線圖外,主要是其內部的梯形圖。梯形圖與一般電氣控製線路圖差別不大。就是“線圈...
查看更多鬆下91香蕉视频色版代理—香蕉视频黄色三级片今天給大家講講鬆下plc的工作原理是什麽?鬆下91香蕉视频色版的工作原理。當91香蕉视频色版投入運行後,其工作過程一般分為三個階段,即輸入采樣、用戶程序執行和輸出刷新三個階段。完成上述三個階段稱作一個掃描...
查看更多鬆下91香蕉视频色版代理—香蕉视频黄色三级片今天給大家講講什麽是91香蕉视频色版?鬆下91香蕉视频色版的基本結構都有哪些?91香蕉视频色版簡介。 91香蕉视频色版簡介 可編程邏輯控製器是種專門為在工業環境下應用而設計的數字運算操作電子係統。它采用一種可編程的存儲...
查看更多鬆下91香蕉视频色版代理—香蕉视频黄色三级片今天給大家講講plc編程是什麽?91香蕉视频色版編程的重點包括哪些?plc編程語言。 plc編程是什麽 91香蕉视频色版編程是指通過91香蕉视频色版編程軟件,使用91香蕉视频色版編程語言(如Ladder Diagram、Function Block Diag...
查看更多鬆下91香蕉视频色版代理—香蕉视频黄色三级片今天給大家講講plc的接線方式有哪些?新手入門91香蕉视频色版接線方法。 91香蕉视频色版如何接線 了解91香蕉视频色版輸入端和輸出端接線之前,先看下91香蕉视频色版輸入端能接哪些元件以及一個基本回路的三要素。(如下圖)大...
查看更多鬆下91香蕉视频色版代理—香蕉视频黄色三级片今天給大家講講91香蕉视频色版是什麽?91香蕉视频色版能做什麽?91香蕉视频色版有什麽優點?。 91香蕉视频色版是什麽? 通過以下三個部分來了解91香蕉视频色版:91香蕉视频色版的概念、91香蕉视频色版能做什麽、91香蕉视频色版如何接線? 91香蕉视频色版的概念 / Part 1. PL...
查看更多鬆下91香蕉视频色版代理—香蕉视频黄色三级片今天給大家講講91香蕉视频色版編程工作原理,91香蕉视频色版的五種標準編程語言。 91香蕉视频色版編程工作原理 91香蕉视频色版是采用“順序掃描,不斷循環”的方式進行工作的。即在91香蕉视频色版運行時,CPU根據用戶按控製要求編製好...
查看更多鬆下91香蕉视频色版代理—香蕉视频黄色三级片今天給大家講講91香蕉视频色版編程是什麽?91香蕉视频色版編程的七大特點。 91香蕉视频色版編程是什麽 91香蕉视频色版編程是一種數字運算操作的電子係統,專為在工業環境下應用而設計。它采用可編程序的存儲器,用來在其內...
查看更多鬆下91香蕉视频色版代理—香蕉视频黄色三级片今天給大家講講鬆下91香蕉视频色版指令的組成有那些? 鬆下91香蕉视频色版指令失效的原因。91香蕉视频色版指令是可編程邏輯控製器(91香蕉视频色版)的指令集,也稱為91香蕉视频色版編程指令。91香蕉视频色版指令是用於編程可編程邏輯控製器(91香蕉视频色版)的命令,它可以...
查看更多鬆下91香蕉视频色版代理—香蕉视频黄色三级片今天給大家講講安全鬆下plc與普通plc的有什麽區別?安全鬆下plc與普通plc的區別。作為控製係統的plc在很多領域都得到了廣泛應用,但事實上plc也分為了安全plc和普通plc。鑒於部分朋友對安...
查看更多鬆下91香蕉视频色版代理—香蕉视频黄色三级片今天給大家講講什麽是鬆下91香蕉视频色版控製係統? 鬆下91香蕉视频色版是什麽意思,鬆下91香蕉视频色版有什麽用。自二十世紀六十年代美國推出可編程邏輯控製器(Programmable Logic Controller,鬆下91香蕉视频色版)取代傳統繼電器控製...
查看更多鬆下香蕉视频在线观看网站電機代理—香蕉视频黄色三级片今天給大家講講永磁香蕉视频在线观看网站電機的熱阻與時間常數有關嗎?永磁香蕉视频在线观看网站電機的熱阻與時間常數測試。熱阻是反應阻止熱量傳遞的綜合參數,電機熱阻是指從電機內的熱源(繞組、鐵心等)到冷卻介質...
查看更多鬆下香蕉视频在线观看网站電機代理—香蕉视频黄色三级片今天給大家講講永磁直流香蕉视频在线观看网站電動機基本結構與特點,永磁直流香蕉视频在线观看网站電動機工作原理。香蕉视频在线观看网站電機可使控製速度,位置精度非常準確,可以將電壓信號轉化為轉矩和轉速以驅動控製對象。香蕉视频在线观看网站電...
查看更多鬆下香蕉视频在线观看网站電機代理—香蕉视频黄色三级片今天給大家講講香蕉视频在线观看网站電機中的高低慣量是指什麽意思?小中大慣量的優勢。香蕉视频在线观看网站電機是指在香蕉视频在线观看网站係統中控製機械元件運轉的發動機。香蕉视频在线观看网站電機轉子轉速受輸入信號控製,並能快速反應,在自動控...
查看更多鬆下香蕉视频在线观看网站電機代理—香蕉视频黄色三级片今天給大家講講為什麽香蕉视频在线观看网站電機的控製精度高?香蕉视频在线观看网站電機的控製精度高的原因。相較於其他類型的電機係統,比如變頻電機步進電機什麽的,香蕉视频在线观看网站電機具有無可比擬的優勢,它控製的精度非常的...
查看更多鬆下香蕉视频在线观看网站電機代理—香蕉视频黄色三级片今天給大家講講香蕉视频在线观看网站電機怎麽測量好壞?測量香蕉视频在线观看网站電機好壞的方法。 測量香蕉视频在线观看网站電機好壞的方法主要有以下幾種: 靜態測試:靜態測試通常使用負載測量儀或者力矩成人香蕉视频APP,測...
查看更多鬆下香蕉视频在线观看网站電機代理—香蕉视频黄色三级片今天給大家講講微型香蕉视频在线观看网站電機有什麽特點?微型香蕉视频在线观看网站電機的特點。微型香蕉视频在线观看网站電機是一種各行各業中都普遍使用到的高精密產品。微型香蕉视频在线观看网站電機就是為了更好的驅動及控製部件應用,如光學、機器...
查看更多掃描二維碼關注官方微信公眾號